Quelles solutions pour un défaut débit sur une pompe à chaleur De Dietrich ?
Publié le 19 Janvier 2026 | Mis à jour le 19 Janvier 2026
Sommaire
Introduction
Nous observons de manière récurrente des défauts débits H02.24 sur les pompes à chaleur De Dietrich (ou Chappée, il s’agit de la même gamme), principalement sur les pompe à chaleur de la gamme SV200. Ce défaut peut devenir récurent et bloque la pompe à chaleur privant ainsi les occupants de l’habitation de chauffage et d’eau chaude. Nous passons en revue les méthodes et modifications de paramètres qui peuvent permettre de résoudre ces défauts sur les pompe à chaleur De Dietrich.
Si vous n’êtes pas familier avec les enjeux de défaut débit, nous vous recommandons de commencer par lire l’article Défaut débit : la maladie des pompes à chaleur. Quelles solutions ?. Cet article est destiné aux installateurs ou mainteneurs ayant de l’expérience avec les pompes à chaleur Air-Eau.
Si vous n’êtes pas familier avec les enjeux de défaut débit, nous vous recommandons de commencer par lire l’article Défaut débit : la maladie des pompes à chaleur. Quelles solutions ?. Cet article est destiné aux installateurs ou mainteneur ayant de l’expérience avec les pompes à chaleur Air-Eau.
Nous nous plaçons dans le cas suivant :
- Vous avez contrôlé l’embouement, celui-ci est correct et l’eau est claire
- Vous vous êtes assuré qu’il ne s’agissait pas d’un problème de capteur de débit (testé ou déjà changé) ni d’un problème électronique (attention aux cartes de la série SW0205 qui posent problème)
- Ce n’est pas la vanne 3 voies qui pose problème, elle bascule normalement du mode chauffage au mode eau chaude sanitaire
- Vos paramètres sont corrects
- Vous avez malgré tout cela encore un défaut débit !
Modifications de paramètres
Nous donnons les chemins / paramètres pour un Alezio SV200 De Dietrich, il se peut que les paramètres soient différents dans d’autres gammes.
-
Abaisser le débit minimal avant mise en défaut
C’est souvent la première chose que l’on fait : réduire cette valeur à 5l/min (c’est le minimum autorisé)
-
Modifications des vitesses de pompes minimales
La ou les pompes (si vous avez deux zones) ont une vitesse de fonctionnement minimale admise par la régulation. Il peut arriver que la pompe fonctionne à vitesse réduite ce qui provoque un défaut. D’usine le paramètre est à 30% en général, nous recommandons en cas de défauts débit récurrents de le porter à 100% Pour cela :
- Menu installateur (code 0012) > Configuration de l’installation > ECS > Débits et pression > V min Pompe ECS > Mettre 100% ! (pour le mode ECS)
- Menu installateur (code 0012) > Configuration de l’installation > PAC Air-Eau > Débits et pression > V min Pompe CC > Mettre 100% ! (pour le mode chauffage)
-
Modification du “décalage” de la vanne mélangeuse (si deux zones)
Lorsque vous avez deux zones dans la pompe à chaleur, c’est à dire généralement une zone radiateur et une zone plancher, la zone 2 (plancher) est mélangée. La vanne de mélange peut poser problème : elle reste trop fermée par rapport à ce que cela devrait être, cela limite le débit au niveau de l’échangeur à plaque.
Un paramètre impose une différence de température entre l’entrée et la sortie de la vanne, le paramètre d’usine est de 4°, ce qui pousse la vanne à rester en position mélanger et n’aide pas à maintenir un bon débit. Il faut ajuster ce paramètre à 0°.
- Menu installateur (code 0012) > Configuration de l’installation > Zone 2 > Général > Déc Circ Vanne (SP050) > Mettre 0° !
-
Mettre la pompe primaire en fonctionnement forcé
Il arrive que le défaut se déclare lorsqu’il y a de la demande dans la zone 2 (plancher) mais pas dans la zone 1. Dans ce cas seule la pompe de la zone 2 est activée, si la vanne mélangeuse est mal positionnée ou si les pertes de charges sont importantes dans cette zone on peut avoir un défaut qui se déclare.
Il existe un paramètre (AP102) qui permet de s’assurer que la pompe primaire fonctionne dès qu’il y a une demande de chauffage (que ce soit en zone 1 ou en zone 2 !). Voici comment l’activer :
- Menu Recherche > Entrer paramètre AP102 > Utilisation Pompe > Mettre Non !
Lorsque vous modifiez plusieurs paramètres pensez à lancer un cycle d’Autodétection, il s’agit d’un reboot de la machine, parfois nécessaire pour s’assurer que les nouveaux paramètres sont bien pris en compte par la machine.
Modification de l’installation
Pour avoir de meilleurs débits, plusieurs possibilités de modifications de l’installation s’offrent à nous :
- Ajout (ou simple réglage) d’une soupape différentielle
- Ajout d’un circulateur
- Mise en place d’un découplage
Décomposons :
- Vous avez une seule zone :
- C’est une zone radiateur :
- Vous devez avoir une soupape différentielle (sinon il faut en ajouter une), ouvrez-la à fond pour tester votre débit !
- Vous pouvez tenter de mettre en place un circulateur supplémentaire sur le départ de cette zone ou bien si la place le permet une bouteille de découplage : le circulateur supplémentaire est alimenté directement par la carte de la machine.
- C’est une zone plancher :
- Nous n’aimons pas l’idée d’installer une soupape différentielle (les pertes de charges du plancher restent inchangées, la soupape différentielle a peu de sens) ni du découplage (peu pertinent d’un point de vue rendement).
- La meilleure solution est donc l’installation d’un circulateur supplémentaire sur le départ de cette zone (alimenté par la carte de la PAC)
- C’est une zone radiateur :
- Vous avez deux zones :
- Ce sont deux zones planchers : optez pour la solution du circulateur supplémentaire comme vu au dessus.
- A noter : si vous avez 2 zones plancher, vous n’avez pas de raison que la zone 2 soit mélangée, vous pouvez donc retirer le moteur de la vanne mélangeuse et la mettre en position 100% ouverte (pas mélangée du tout). Si vous paramétrez une loi d’eau de la zone 2 légèrement supérieure à celle de la loi d’eau de la zone 1 et que vous avez activé l’astuce du AP102 (voir au dessus), vous vous assurez que les deux pompes fonctionnent toujours ensemble, ce qui est souvent suffisant pour assurer le débit minimal !
- Il s’agit d’une zone plancher et d’une zone radiateur :
- Vous devez avoir une soupape différentielle (sinon il faut en ajouter une), ouvrez-la à fond pour tester votre débit !
- Le découplage avec 2 circulateurs et une vanne mélangeuse derrière la bouteille est sinon l’unique solution.
- Ce sont deux zones planchers : optez pour la solution du circulateur supplémentaire comme vu au dessus.
Garder la logique en tête
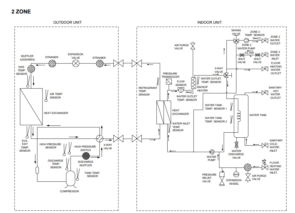
En cas de doute, tenez-vous en au schéma hydraulique de votre installation pour alimenter vos réflexions : ci-dessous le schéma hydraulique d’une pompe à chaleur Panasonic double zone avec production d’ECS (le schéma d’une De Dietrich est le même !)

Vous avez besoin d’aide ? Ecrivez-nous !
Bon courage !
Ecrit par Simon Lembeye
Gérant